| 
 形   状 
             | 
 金具品番 
             | 
 ねじ R(PT)  
             | 
 内径 mm  
             | 
 A mm  
             | 
 X mm  
             | 
 (L) mm  
             | 
 概略 重量 g  
             | 
           
1001 管用テーパーおねじ 
              | 
  1001   6 
             | 
 1/4 
             | 
  4.0 
             | 
 13 
             | 
 17 
             | 
  50 
             | 
   60 
             | 
           
| 
  1001   9 
             | 
 3/8 
             | 
  6.5 
             | 
 15 
             | 
 19 
             | 
  54 
             | 
   80 
             | 
           
| 
  1001   12 
             | 
 1/2 
             | 
  9.5 
             | 
 18 
             | 
 22 
             | 
  62 
             | 
  130 
             | 
           
| 
  1001-1210 
             | 
 3/4 
             | 
 12.0 
             | 
 20 
             | 
 30 
             | 
  78 
             | 
  220 
             | 
           
| 
  1001  19 
             | 
 3/4 
             | 
 15.0 
             | 
 20 
             | 
 30 
             | 
  85 
             | 
  270 
             | 
           
| 
  1001  25 
             | 
 1 
             | 
 20.5 
             | 
 22 
             | 
 36 
             | 
  94 
             | 
  440 
             | 
           
| 
 ★1001  32 
             | 
 1 1/4 
             | 
 25.5 
             | 
 25 
             | 
 46 
             | 
 115 
             | 
  810 
             | 
           
| 
 ★1001  38 
             | 
 1 1/2 
             | 
 32.0 
             | 
 25 
             | 
 50 
             | 
 135 
             | 
 1075 
             | 
           
| 
 ★1001  50 
             | 
 2 
             | 
 43.0 
             | 
 29 
             | 
 65 
             | 
 156 
             | 
 2140 
             | 
           
        
       
       
| 
 形   状 
             | 
 金具品番 
             | 
 ねじ G(PF)  
             | 
 内径 mm  
             | 
 A mm  
             | 
 X mm  
             | 
 (L) mm  
             | 
 概略 重量 g  
             | 
           
1002 管用平行おねじ 
              | 
  1002   6 
             | 
 1/4 
             | 
  4.0 
             | 
 13 
             | 
 17 
             | 
  50 
             | 
   60 
             | 
           
| 
  1002   9 
             | 
 3/8 
             | 
  6.5 
             | 
 15 
             | 
 19 
             | 
  54 
             | 
   80 
             | 
           
| 
  1002   12 
             | 
 1/2 
             | 
  9.5 
             | 
 18 
             | 
 22 
             | 
  62 
             | 
  130 
             | 
           
| 
  1002-1210 
             | 
 3/4 
             | 
 12.0 
             | 
 20 
             | 
 30 
             | 
  78 
             | 
  220 
             | 
           
| 
  1002  19 
             | 
 3/4 
             | 
 15.0 
             | 
 20 
             | 
 30 
             | 
  85 
             | 
  270 
             | 
           
| 
  1002  25 
             | 
 1 
             | 
 20.5 
             | 
 22 
             | 
 36 
             | 
  94 
             | 
  440 
             | 
           
| 
 ★1002  32 
             | 
 1 1/4 
             | 
 25.5 
             | 
 25 
             | 
 46 
             | 
 115 
             | 
  810 
             | 
           
| 
 ★1002  38 
             | 
 1 1/2 
             | 
 32.0 
             | 
 25 
             | 
 50 
             | 
 135 
             | 
 1075 
             | 
           
| 
 ★1002  50 
             | 
 2 
             | 
 43.0 
             | 
 29 
             | 
 65 
             | 
 156 
             | 
 2140 
             | 
           
        
       
       
| 
 形   状 
             | 
 金具品番 
             | 
 ねじ G(PF)  
             | 
 内径 mm  
             | 
 X mm  
             | 
 Y mm  
             | 
 (L) mm  
             | 
 概略 重量 g  
             | 
           
1004 管用平行めねじユニオン    (めすシート) 
 
              | 
  1004   6 
             | 
 1/4 
             | 
  4.0 
             | 
 17 
             | 
 19 
             | 
  55 
             | 
   75 
             | 
           
| 
  1004   9 
             | 
 3/8 
             | 
  6.5 
             | 
 19 
             | 
 22 
             | 
  59 
             | 
   95 
             | 
           
| 
  1004   12 
             | 
 1/2 
             | 
  9.5 
             | 
 22 
             | 
 27 
             | 
  67 
             | 
  145 
             | 
           
| 
  1004-1210 
             | 
 3/4 
             | 
 12.0 
             | 
 30 
             | 
 36 
             | 
  83 
             | 
  280 
             | 
           
| 
  1004  19 
             | 
 3/4 
             | 
 15.0 
             | 
 30 
             | 
 36 
             | 
  89 
             | 
  330 
             | 
           
| 
  1004  25 
             | 
 1 
             | 
 20.5 
             | 
 36 
             | 
 41 
             | 
  98 
             | 
  500 
             | 
           
| 
 ★1004  32 
             | 
 1 1/4 
             | 
 25.5 
             | 
 46 
             | 
 50 
             | 
 122 
             | 
  890 
             | 
           
| 
 ★1004  38 
             | 
 1 1/2 
             | 
 32.0 
             | 
 50 
             | 
 60 
             | 
 144 
             | 
 1250 
             | 
           
| 
 ★1004  50 
             | 
 2 
             | 
 43.0 
             | 
 65 
             | 
 70 
             | 
 165 
             | 
 2320 
             | 
           
        
       
       
| 
 形   状 
             | 
 金具品番 
             | 
 ねじ G(PF)  
             | 
 内径 mm  
             | 
 X mm  
             | 
 Y mm  
             | 
 (L) mm  
             | 
 概略 重量 g  
             | 
           
1005 管用平行めねじユニオン    (おすシート) 
 
              | 
  1005   6 
             | 
 1/4 
             | 
  4.0 
             | 
 17 
             | 
 19 
             | 
  55 
             | 
   75 
             | 
           
| 
  1005   9 
             | 
 3/8 
             | 
  6.5 
             | 
 19 
             | 
 22 
             | 
  59 
             | 
   95 
             | 
           
| 
  1005   12 
             | 
 1/2 
             | 
  9.5 
             | 
 22 
             | 
 27 
             | 
  67 
             | 
  145 
             | 
           
| 
  1005-1210 
             | 
 3/4 
             | 
 12.0 
             | 
 30 
             | 
 36 
             | 
  83 
             | 
  280 
             | 
           
| 
  1005  19 
             | 
 3/4 
             | 
 15.0 
             | 
 30 
             | 
 36 
             | 
  89 
             | 
  330 
             | 
           
| 
  1005  25 
             | 
 1 
             | 
 20.5 
             | 
 36 
             | 
 41 
             | 
  98 
             | 
  500 
             | 
           
| 
 ★1005  32 
             | 
 1 1/4 
             | 
 25.5 
             | 
 46 
             | 
 50 
             | 
 122 
             | 
  890 
             | 
           
| 
 ★1005  38 
             | 
 1 1/2 
             | 
 32.0 
             | 
 50 
             | 
 60 
             | 
 144 
             | 
 1250 
             | 
           
| 
 ★1005  50 
             | 
 2 
             | 
 43.0 
             | 
 65 
             | 
 70 
             | 
 165 
             | 
 2320 
             | 
           
        
       
| (注)金具品番欄の★印は金具形状は、NWP35・NWP70用に限り異なります。 | 
           
        
       
       
| 
 形   状 
             | 
 金具品番 
             | 
 ねじ G(PT) 
             | 
 内径 mm  
             | 
 H mm  
             | 
 X mm  
             | 
 (L) mm  
             | 
 概略 重量 g  
             | 
           
ML45 45°エルボ フィッティング(おすシート) 
              
            Φ25は加締ナットです。 
 | 
 ML45   6 
             | 
 1/4 
             | 
  4.0 
             | 
 21.5 
             | 
 19 
             | 
  73 
             | 
  75 
             | 
           
| 
 ML45   9 
             | 
 3/8 
             | 
  6.5 
             | 
 26.0 
             | 
 22 
             | 
  84 
             | 
 105 
             | 
           
| 
 ML45   12 
             | 
 1/2 
             | 
  9.5 
             | 
 29.5 
             | 
 27 
             | 
  95 
             | 
 175 
             | 
           
| 
 ML45 -1210 
             | 
 3/4 
             | 
 12.5 
             | 
 36.0 
             | 
 36 
             | 
 120 
             | 
 330 
             | 
           
| 
 ML45   19 
             | 
 3/4 
             | 
 12.5 
             | 
 36.0 
             | 
 36 
             | 
 126 
             | 
 420 
             | 
           
| 
 MEL45   25 
             | 
 1 
             | 
 20.4 
             | 
 39.5 
             | 
 41 
             | 
 140 
             | 
 700 
             | 
           
| 
 - 
             | 
 - 
             | 
 - 
             | 
 - 
             | 
 - 
             | 
 - 
             | 
 - 
             | 
           
| 
 - 
             | 
 - 
             | 
 - 
             | 
 - 
             | 
 - 
             | 
 - 
             | 
 - 
             | 
           
| 
 - 
             | 
 - 
             | 
 - 
             | 
 - 
             | 
 - 
             | 
 - 
             | 
 - 
             | 
           
| 
 - 
             | 
 - 
             | 
 - 
             | 
 - 
             | 
 - 
             | 
 - 
             | 
 - 
             | 
           
        
       
       
| 
 形   状 
             | 
 金具品番 
             | 
 ねじ G(PF) 
             | 
 内径 mm  
             | 
 H mm  
             | 
 X mm  
             | 
 (L) mm  
             | 
 概略 重量 g  
             | 
           
ML90 90°エルボ フィッティング(おすシート) 
              
            Φ25は加締ナットです。 
 | 
 ML90   6 
             | 
 1/4 
             | 
  4.0 
             | 
 35.0 
             | 
 19 
             | 
  59 
             | 
  75 
             | 
           
| 
 ML90   9 
             | 
 3/8 
             | 
  6.5 
             | 
 44.0 
             | 
 22 
             | 
  68 
             | 
 115 
             | 
           
| 
 ML90   12 
             | 
 1/2 
             | 
  9.5 
             | 
 53.0 
             | 
 27 
             | 
  79 
             | 
 185 
             | 
           
| 
 ML90 -1210 
             | 
 3/4 
             | 
 12.5 
             | 
 67.5 
             | 
 36 
             | 
 101 
             | 
 340 
             | 
           
| 
 ML90   19 
             | 
 3/4 
             | 
 15.3 
             | 
 67.5 
             | 
 36 
             | 
 108 
             | 
 460 
             | 
           
| 
 MEL90   25 
             | 
 1 
             | 
 20.4 
             | 
 76.5 
             | 
 41 
             | 
 121 
             | 
 810 
             | 
           
| 
 - 
             | 
 - 
             | 
 - 
             | 
 - 
             | 
 - 
             | 
 - 
             | 
 - 
             | 
           
| 
 - 
             | 
 - 
             | 
 - 
             | 
 - 
             | 
 - 
             | 
 - 
             | 
 - 
             | 
           
| 
 - 
             | 
 - 
             | 
 - 
             | 
 - 
             | 
 - 
             | 
 - 
             | 
 - 
             | 
           
| 
 - 
             | 
 - 
             | 
 - 
             | 
 - 
             | 
 - 
             | 
 - 
             | 
 - 
             | 
           
        
       
       
| 
 形   状 
             | 
 金具品番 
             | 
 ねじ (NPTF)  
             | 
 内径 mm  
             | 
 A mm  
             | 
 X mm  
             | 
 (L) mm  
             | 
 概略 重量 g  
             | 
           
6012 NPTFねじ  
              | 
  6012   6 
             | 
 1/4 
             | 
  4.0 
             | 
 13 
             | 
 17 
             | 
  50 
             | 
   60 
             | 
           
| 
  6012   9 
             | 
 3/8 
             | 
  6.5 
             | 
 15 
             | 
 19 
             | 
  54 
             | 
   80 
             | 
           
| 
  6012   12 
             | 
 1/2 
             | 
  9.5 
             | 
 18 
             | 
 22 
             | 
  62 
             | 
  135 
             | 
           
| 
  6012-1210 
             | 
 3/4 
             | 
 12.0 
             | 
 20 
             | 
 30 
             | 
  78 
             | 
  220 
             | 
           
| 
  6012  19 
             | 
 3/4 
             | 
 15.0 
             | 
 20 
             | 
 30 
             | 
  85 
             | 
  270 
             | 
           
| 
  6012  25 
             | 
 1 
             | 
 20.5 
             | 
 22 
             | 
 36 
             | 
  94 
             | 
  440 
             | 
           
| 
 ★6012  32 
             | 
 1 1/4 
             | 
 25.5 
             | 
 25 
             | 
 46 
             | 
 115 
             | 
  810 
             | 
           
| 
 ★6012  38 
             | 
 1 1/2 
             | 
 32.0 
             | 
 25 
             | 
 50 
             | 
 135 
             | 
 1075 
             | 
           
| 
 ★6012  50 
             | 
 2 
             | 
 43.0 
             | 
 29 
             | 
 65 
             | 
 156 
             | 
 2140 
             | 
           
        
       
       
| 
 形   状 
             | 
 金具品番 
             | 
 ねじ (ユニファイ)  
             | 
 内径 mm  
             | 
 X mm  
             | 
 Y mm  
             | 
 (L) mm  
             | 
 概略 重量 g  
             | 
           
6013 ユニファイネジ  
              | 
  6013   6 
             | 
 7/16-20 
             | 
  4.0 
             | 
 17 
             | 
 19 
             | 
  56 
             | 
   75 
             | 
           
| 
  6013   9 
             | 
 9/16-18 
             | 
  6.5 
             | 
 19 
             | 
 22 
             | 
  59 
             | 
   95 
             | 
           
| 
  6013   12 
             | 
 3/4-16 
             | 
  9.5 
             | 
 22 
             | 
 27 
             | 
  66 
             | 
  165 
             | 
           
| 
  6013   15 
             | 
 7/8-14 
             | 
 10.0 
             | 
 27 
             | 
 27 
             | 
  80 
             | 
  270 
             | 
           
| 
  6013  19 
             | 
 1 1/16-12 
             | 
 15.0 
             | 
 30 
             | 
 36 
             | 
  91 
             | 
  330 
             | 
           
| 
  6013  25 
             | 
 1 5/16-12 
             | 
 20.5 
             | 
 36 
             | 
 41 
             | 
 100 
             | 
  500 
             | 
           
| 
 ★6013  32 
             | 
 1 5/8-12 
             | 
 25.5 
             | 
 46 
             | 
 50 
             | 
 121 
             | 
  890 
             | 
           
| 
 ★6013  38 
             | 
 1 7/8-12 
             | 
 32.0 
             | 
 50 
             | 
 60 
             | 
 145 
             | 
 1370 
             | 
           
| 
 ★6013  50 
             | 
 2 1/2-12 
             | 
 43.0 
             | 
 65 
             | 
 75 
             | 
 171 
             | 
 2430 
             | 
           
        
       
       
| 
 形   状 
             | 
 金具品番 
             | 
 ねじ メートルネジ 
             | 
 内径 mm  
             | 
 X mm  
             | 
 Y mm  
             | 
 (L) mm  
             | 
 概略 重量 g  
             | 
           
METST メートルねじ     (めすシート) 
 
              | 
 METST  6 
             | 
 M14×1.5 
             | 
  4.0 
             | 
 17 
             | 
 19 
             | 
  57 
             | 
  75 
             | 
           
| 
 METST  9 
             | 
 M18×1.5 
             | 
  6.5 
             | 
 19 
             | 
 24 
             | 
  59 
             | 
  95 
             | 
           
| 
 METST 12 
             | 
 M22×1.5 
             | 
  9.5 
             | 
 22 
             | 
 27 
             | 
  68 
             | 
 150 
             | 
           
| 
 METST 15 
             | 
 M24×1.5 
             | 
 12.0 
             | 
 30 
             | 
 32 
             | 
  85 
             | 
 300 
             | 
           
| 
 METST 19 
             | 
 M30×1.5 
             | 
 15.0 
             | 
 30 
             | 
 36 
             | 
  97 
             | 
 360 
             | 
           
| 
 METST 25 
             | 
 M33×1.5 
             | 
 20.5 
             | 
 36 
             | 
 41 
             | 
 107 
             | 
 550 
             | 
           
| 
 - 
             | 
 - 
             | 
 - 
             | 
 - 
             | 
 - 
             | 
 - 
             | 
 - 
             | 
           
| 
 - 
             | 
 - 
             | 
 - 
             | 
 - 
             | 
 - 
             | 
 - 
             | 
 - 
             | 
           
| 
 - 
             | 
 - 
             | 
 - 
             | 
 - 
             | 
 - 
             | 
 - 
             | 
 - 
             | 
           
        
       
| (注)金具品番欄の★印は金具形状は、NWP35・NWP70用に限り異なります。 | 
           
        
       
       
| 
 形   状 
             | 
 金具品番 
             | 
 内径 mm  
             | 
 C mm  
             | 
 D mm  
             | 
 H mm  
             | 
 (L) mm  
             | 
 概略 重量 g  
             | 
           
SSFST  
ストレートスプリット フランジ (SAEスタンダード) 
              | 
  SSFST 12 
             | 
 10.0 
             | 
 30.2 
             | 
 25.5 
             | 
 - 
             | 
  73 
             | 
  110 
             | 
           
| 
  SSFST 19 
             | 
 15.0 
             | 
 38.1 
             | 
 31.8 
             | 
 - 
             | 
  97 
             | 
  340 
             | 
           
| 
  SSFST 25 
             | 
 21.0 
             | 
 44.5 
             | 
 39.7 
             | 
 - 
             | 
 105 
             | 
  550 
             | 
           
| 
 ★SSFST 32 
             | 
 25.5 
             | 
 50.8 
             | 
 44.5 
             | 
 - 
             | 
 120 
             | 
  880 
             | 
           
| 
 ★SSFST 38 
             | 
 32.0 
             | 
 60.3 
             | 
 53.9 
             | 
 - 
             | 
 149 
             | 
 1210 
             | 
           
| 
 ★SSFST 50 
             | 
 44.0 
             | 
 71.4 
             | 
 63.4 
             | 
 - 
             | 
 170 
             | 
 2325 
             | 
           
| 
 - 
             | 
 - 
             | 
 - 
             | 
 - 
             | 
 - 
             | 
 - 
             | 
 - 
             | 
           
| 
 - 
             | 
 - 
             | 
 - 
             | 
 - 
             | 
 - 
             | 
 - 
             | 
 - 
             | 
           
| 
 - 
             | 
 - 
             | 
 - 
             | 
 - 
             | 
 - 
             | 
 - 
             | 
 - 
             | 
           
        
       
       
| 
 形   状 
             | 
 金具品番 
             | 
 内径 mm  
             | 
 C mm  
             | 
 D mm  
             | 
 H mm  
             | 
 (L) mm  
             | 
 概略 重量 g  
             | 
           
SSF45 45°スプリット フランジ (SAEスタンダード) 
              | 
  SSF45 12 
             | 
  9.5 
             | 
 30.2 
             | 
 25.5 
             | 
 21 
             | 
  82 
             | 
  145 
             | 
           
| 
  SSF45 19 
             | 
 15.0 
             | 
 38.1 
             | 
 31.8 
             | 
 26 
             | 
 111 
             | 
  330 
             | 
           
| 
  SSF45 25 
             | 
 20.0 
             | 
 44.5 
             | 
 39.7 
             | 
 28 
             | 
 127 
             | 
  590 
             | 
           
| 
 ★SSF45 32 
             | 
 25.5 
             | 
 50.8 
             | 
 44.5 
             | 
 29 
             | 
 151 
             | 
  840 
             | 
           
| 
 ★SSF45 38 
             | 
 32.0 
             | 
 60.3 
             | 
 53.9 
             | 
 36 
             | 
 185 
             | 
 1440 
             | 
           
| 
 ★SSF45 50 
             | 
 43.0 
             | 
 71.4 
             | 
 63.4 
             | 
 51 
             | 
 228 
             | 
 3000 
             | 
           
| 
 - 
             | 
 - 
             | 
 - 
             | 
 - 
             | 
 - 
             | 
 - 
             | 
 - 
             | 
           
| 
 - 
             | 
 - 
             | 
 - 
             | 
 - 
             | 
 - 
             | 
 - 
             | 
 - 
             | 
           
| 
 - 
             | 
 - 
             | 
 - 
             | 
 - 
             | 
 - 
             | 
 - 
             | 
 - 
             | 
           
        
       
       
| 
 形   状 
             | 
 金具品番 
             | 
 内径 mm  
             | 
 C mm  
             | 
 D mm  
             | 
 H mm  
             | 
 (L) mm  
             | 
 概略 重量 g  
             | 
           
SSF90 90°スプリット フランジ (SAEスタンダード) 
              | 
  SSF90 12 
             | 
  9.5 
             | 
 30.2 
             | 
 25.5 
             | 
  41 
             | 
  72 
             | 
  165 
             | 
           
| 
  SSF90 19 
             | 
 15.0 
             | 
 38.1 
             | 
 31.8 
             | 
  55 
             | 
 105 
             | 
  360 
             | 
           
| 
  SSF90 25 
             | 
 20.0 
             | 
 44.5 
             | 
 39.7 
             | 
  61 
             | 
 121 
             | 
  645 
             | 
           
| 
 ★SSF90 32 
             | 
 25.5 
             | 
 50.8 
             | 
 44.5 
             | 
  67 
             | 
 146 
             | 
  950 
             | 
           
| 
 ★SSF90 38 
             | 
 32.0 
             | 
 60.3 
             | 
 53.9 
             | 
  86 
             | 
 182 
             | 
 1580 
             | 
           
| 
 ★SSF90 50 
             | 
 43.0 
             | 
 71.4 
             | 
 63.4 
             | 
 115 
             | 
 224 
             | 
 3150 
             | 
           
| 
 - 
             | 
 - 
             | 
 - 
             | 
 - 
             | 
 - 
             | 
 - 
             | 
 - 
             | 
           
| 
 - 
             | 
 - 
             | 
 - 
             | 
 - 
             | 
 - 
             | 
 - 
             | 
 - 
             | 
           
| 
 - 
             | 
 - 
             | 
 - 
             | 
 - 
             | 
 - 
             | 
 - 
             | 
 - 
             | 
           
        
       
| (注)金具品番欄の★印は金具形状は、NWP35・NWP70用に限り異なります。 | 
           
        
       
       
| 
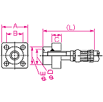
 形   状 
             | 
 金具品番 
             | 
 内径 mm  
             | 
 A mm  
             | 
 B mm  
             | 
 C mm  
             | 
 D mm  
             | 
 H mm  
             | 
 (L) mm  
             | 
 概略 重量 g  
             | 
           
SHAST ストレートJIS21MPa     SHA固定型フランジ 
 
              | 
  SHAST 12 
             | 
 16.0 
             | 
  63 
             | 
 40 
             | 
 22 
             | 
 30 
             | 
 - 
             | 
  76 
             | 
  675 
             | 
           
| 
  SHAST 19 
             | 
 20.0 
             | 
  68 
             | 
 45 
             | 
 22 
             | 
 35 
             | 
 - 
             | 
 108 
             | 
  925 
             | 
           
| 
  SHAST 25 
             | 
 25.0 
             | 
  80 
             | 
 53 
             | 
 28 
             | 
 40 
             | 
 - 
             | 
 112 
             | 
 1585 
             | 
           
| 
 ★SHAST 32 
             | 
 25.5 
             | 
  90 
             | 
 63 
             | 
 28 
             | 
 45 
             | 
 - 
             | 
 135 
             | 
 2180 
             | 
           
| 
 ★SHAST 38 
             | 
 32.0 
             | 
 100 
             | 
 70 
             | 
 36 
             | 
 55 
             | 
 - 
             | 
 160 
             | 
 3190 
             | 
           
| 
 ★SHAST 50 
             | 
 43.0 
             | 
 112 
             | 
 80 
             | 
 36 
             | 
 65 
             | 
 - 
             | 
 181 
             | 
 4558 
             | 
           
| 
 - 
             | 
 - 
             | 
 - 
             | 
 - 
             | 
 - 
             | 
             | 
             | 
 - 
             | 
 - 
             | 
           
| 
 - 
             | 
 - 
             | 
 - 
             | 
 - 
             | 
 - 
             | 
             | 
             | 
 - 
             | 
 - 
             | 
           
| 
 - 
             | 
 - 
             | 
 - 
             | 
 - 
             | 
 - 
             | 
             | 
             | 
 - 
             | 
 - 
             | 
           
        
       
       
| 
 形   状 
             | 
 金具品番 
             | 
 内径 mm  
             | 
 A mm  
             | 
 B mm  
             | 
 C mm  
             | 
 D mm  
             | 
 H mm  
             | 
 (L) mm  
             | 
 概略 重量 g  
             | 
           
SHA45 45°JIS21MPa     SHA固定型フランジ 
 
              | 
  SHA45 12 
             | 
 16.0 
             | 
  63 
             | 
 40 
             | 
 22 
             | 
 30 
             | 
 39.0 
             | 
 124 
             | 
  825 
             | 
           
| 
  SHA45 19 
             | 
 20.0 
             | 
  68 
             | 
 45 
             | 
 22 
             | 
 35 
             | 
 40.0 
             | 
 148 
             | 
 1550 
             | 
           
| 
  SHA45 25 
             | 
 25.0 
             | 
  80 
             | 
 53 
             | 
 28 
             | 
 40 
             | 
 41.5 
             | 
 151 
             | 
 1845 
             | 
           
| 
 ★SHA45 32 
             | 
 25.5 
             | 
  90 
             | 
 63 
             | 
 28 
             | 
 45 
             | 
 50.0 
             | 
 194 
             | 
 2150 
             | 
           
| 
 ★SHA45 38 
             | 
 32.0 
             | 
 100 
             | 
 70 
             | 
 36 
             | 
 55 
             | 
 53.0 
             | 
 225 
             | 
 3880 
             | 
           
| 
 ★SHA45 50 
             | 
 43.0 
             | 
 112 
             | 
 80 
             | 
 36 
             | 
 65 
             | 
 65.0 
             | 
 243 
             | 
 6000 
             | 
           
| 
 - 
             | 
 - 
             | 
 - 
             | 
 - 
             | 
 - 
             | 
             | 
             | 
 - 
             | 
 - 
             | 
           
| 
 - 
             | 
 - 
             | 
 - 
             | 
 - 
             | 
 - 
             | 
             | 
             | 
 - 
             | 
 - 
             | 
           
| 
 - 
             | 
 - 
             | 
 - 
             | 
 - 
             | 
 - 
             | 
             | 
             | 
 - 
             | 
 - 
             | 
           
        
       
       
| 
 形   状 
             | 
 金具品番 
             | 
 内径 mm  
             | 
 A mm  
             | 
 B mm  
             | 
 C mm  
             | 
 D mm  
             | 
 H mm  
             | 
 (L) mm  
             | 
 概略 重量 g  
             | 
           
SHA90 90°JIS21MPa     SHA固定型フランジ 
 
              | 
  SHA90 12 
             | 
 16.0 
             | 
  63 
             | 
 40 
             | 
 22 
             | 
 30 
             | 
  67 
             | 
  89 
             | 
  820 
             | 
           
| 
  SHA90 19 
             | 
 20.0 
             | 
  68 
             | 
 45 
             | 
 22 
             | 
 35 
             | 
  77 
             | 
 122 
             | 
 1210 
             | 
           
| 
  SHA90 25 
             | 
 25.0 
             | 
  80 
             | 
 53 
             | 
 28 
             | 
 40 
             | 
  93 
             | 
 135 
             | 
 1995 
             | 
           
| 
 ★SHA90 32 
             | 
 25.5 
             | 
  90 
             | 
 63 
             | 
 28 
             | 
 45 
             | 
 108 
             | 
 172 
             | 
 2900 
             | 
           
| 
 ★SHA90 38 
             | 
 32.0 
             | 
 100 
             | 
 70 
             | 
 36 
             | 
 55 
             | 
 126 
             | 
 207 
             | 
 4135 
             | 
           
| 
 ★SHA90 50 
             | 
 43.0 
             | 
 112 
             | 
 80 
             | 
 36 
             | 
 65 
             | 
 141 
             | 
 228 
             | 
 6300 
             | 
           
| 
 - 
             | 
 - 
             | 
 - 
             | 
 - 
             | 
 - 
             | 
             | 
             | 
 - 
             | 
 - 
             | 
           
| 
 - 
             | 
 - 
             | 
 - 
             | 
 - 
             | 
 - 
             | 
             | 
             | 
 - 
             | 
 - 
             | 
           
| 
 - 
             | 
 - 
             | 
 - 
             | 
 - 
             | 
 - 
             | 
             | 
             | 
 - 
             | 
 - 
             | 
           
        
       
       
| 
 形   状 
             | 
 金具品番 
             | 
 内径 mm  
             | 
 A mm  
             | 
 B mm  
             | 
 C mm  
             | 
 D mm  
             | 
 E mm  
             | 
 (L) mm  
             | 
 概略 重量 g  
             | 
           
SHALS ストレートJIS21MPa     SHAルーズ型フランジ 
 
              | 
  SHALS 12 
             | 
 16.0 
             | 
  63 
             | 
 40 
             | 
 22 
             | 
 30 
             | 
 44 
             | 
  98 
             | 
 1440 
             | 
           
| 
  SHALS 19 
             | 
 20.0 
             | 
  68 
             | 
 45 
             | 
 22 
             | 
 35 
             | 
 51 
             | 
 108 
             | 
 1565 
             | 
           
| 
  SHALS 25 
             | 
 25.0 
             | 
  80 
             | 
 53 
             | 
 28 
             | 
 40 
             | 
 60 
             | 
 144 
             | 
 2040 
             | 
           
| 
 ★SHALS 32 
             | 
 25.5 
             | 
  90 
             | 
 63 
             | 
 28 
             | 
 45 
             | 
 74 
             | 
 170 
             | 
 4080 
             | 
           
| 
 ★SHALS 38 
             | 
 32.0 
             | 
 100 
             | 
 70 
             | 
 36 
             | 
 55 
             | 
 79 
             | 
 189 
             | 
 5080 
             | 
           
| 
 ★SHALS 50 
             | 
 43.0 
             | 
 112 
             | 
 80 
             | 
 36 
             | 
 65 
             | 
 93 
             | 
 216 
             | 
 7170 
             | 
           
| 
 - 
             | 
 - 
             | 
 - 
             | 
 - 
             | 
 - 
             | 
             | 
             | 
 - 
             | 
 - 
             | 
           
| 
 - 
             | 
 - 
             | 
 - 
             | 
 - 
             | 
 - 
             | 
             | 
             | 
 - 
             | 
 - 
             | 
           
| 
 - 
             | 
 - 
             | 
 - 
             | 
 - 
             | 
 - 
             | 
             | 
             | 
 - 
             | 
 - 
             | 
           
        
       
| (注)金具品番欄の★印は金具形状は、NWP35・NWP70用に限り異なります。 | 
           
        
       
       |